设为首页
|
收藏本站
网站首页
产品中心
应用行业
应用领域
精彩展示
联系我们
网站首页
产品中心
NOKOV度量光学三维动作捕捉系统
三维步态分析系统
Motion Analysis美国魔神三维动作捕捉分析系统
Bertec三维测力跑台
Bertec三维测力平台
Kistler三维测力平台
+
AMTI三维测力系统
AccuGait
Accugait Walkway
AccuPower
Accusway
BP400600
BP400600HF
BP400600NC
BP600600
BP600900
BP900900
BP6001200
BP12001200
Dual Top AccusWay
多方向倾斜三维测力跑台
飞机起落架摔落测试
HE6X6
髋关节模拟器
OR6-6
OR6-7
OR6-GT
OR6-WP
台阶式三维测力台
通用型模拟器
销对盘
一般用途
膝关节模拟器
助行器力学测量系统
Visual 3D生物力学分析与建模软件
Jack人体建模仿真&人机功效评价
Dynamixyz无标志点式面部动作捕捉系统
OTICH动作捕捉标志点/Marker
光学跟踪相机
MYON无线表面肌电仪
MYON惯性测量单元
+
Tekscan分布式压力测量分析系统
步道式压力测量系统
平板式压力测量系统
分布式坐背垫压力测量系统
鞋垫式足部压力测量系统
+
眼球运动测量分析系统
NAC眼球运动测量分析系统
Basler高速摄像系统
HASOMED移动便携步态分析仪
Motion Lab肌电分析仪
Bertec Legacy 平衡板系统
HOSAND运动生理学监测评估系统
LODE功率自行车&跑台
+
PPS薄膜式压力测量与分析系统
动态刹车片测量系统
工业压力测试系统
混合式压力测量系统
机器人触觉测量系统(RoboTouch)
可视化软件
门把手压力测量系统
喷雾测量系统(Spray)
喷雾模式测量系统
柔性薄膜触觉/压力测量系统
柔性压力测量系统
手指触觉测量系统(FingerTPS)
头部压感测量系统
鞋垫式足底压力分布测量系统(Foot Pressure System)
膝关节内压力测量系统
阵列式压力测量传感器
轧辊压力测量系统
坐垫座椅式人体压力分布测试系统(BPMS)
动态轮胎胎面测量系统(Tire Tread)
热压压力测量系统
MaxTRAQ三维录像解析系统
三维录像解析系统
SIMM交互式骨骼肌肉建模仿真软件
+
STT动作捕捉及三维扫描仪
激光足部三维扫描仪
激光足底三维扫描仪
iSen惯性动作捕捉系统
面部三维扫描仪
全身三维扫描仪
头式压力测量传感器
应用行业
教育科研
医疗
工业自动化
应用领域
虚拟现实
人机工效
机械仿生
机器人/无人机
体育运动分析
康复工程
精密触觉
步态分析
非物质文化遗产保护
三维动作捕捉
标志点/标记点/Marker
惯性动作捕捉系统介绍
精彩展示
行业用户
精彩图片
视频
联系我们
UDW3
首页
> 产品中心
UDW3
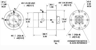
UDW3的设计是为了更精确的进行水下力值测量。它有一个完全防水的设计,连同内部压力补偿囊状物进行水下的精确测量。
UDW3
技术参数
UDW3的设计是为了更精确的进行水下力值测量。它有一个完全防水的设计,连同内部压力补偿囊状物进行水下的精确测量。
载荷
: 100
(
250
、
500
、
1000
可选)
示意图
电工图